Монтаж кровли с предварительным демонтажем (заказ 84357)

  • Заказ: 84357
  • Заказчик: [u586487447]

  • order

    Заказ от: Физического лица

  • Добавлен: вчера 15:18

  • Адрес: Ермаки

  • Минск

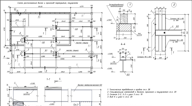
Разобрать старую кровлю двухскатную из шифера, затем смонтировать четырехскатную кровлю (вальму) в соответствии с проектной документацией. Покрытие металлочерепица. Объект - деревенский дом с пристройкой. Находится 60 км. от г. Минска по Гродненскому направлению. (заказ 84357)

Вы мастер? Обеспечьте заказами себя, бригаду или компанию
  • Стабильный поток заказов каждый день
  • Вы сами выбираете заказы и заказчиков, предлагаете свои условия
  • Договаривайтесь напрямую без посредников
Что нужно сделать?

Опишите вашу задачу - исполнители откликнутся на ваш заказ

Заказать услугу Телефон

Добавьте заказ – узнайте цены на вашу работу

Наверх